EDrive-ST
產品介紹
WPC EDrive-ST 是一款配備網路介面的單軸步進馬達整合型驅動器,可直接連接兩相步進馬達、增量型編碼器與極限開關。無需額外軸卡,只需一台電腦與一條網路線即可完成控制。
體積小巧、接線簡單,廣泛應用於半導體設備、小型實驗設備及科研儀器等領域。採用直流電源供電,最高支援 36V,適合移動載具、太陽能光電、儲能系統等直流供電環境。

核心特色
| 特色 | 說明 |
|---|---|
| 整合型設計 | 內建驅動器與網路控制介面,無須額外軸卡 |
| 彈性控制 | 支援位置控制與速度控制模式 |
| 高解析微步進 | 最高 51200 steps/rev(可調整) |
| 豐富 I/O | 支援 ABZ 差動編碼器、Home / FWD / REV 極限開關 |
| 智慧功能 | 失速偵測、智慧節能與驅動器診斷 |
| 多語言 SDK | 支援 Python、C# 及 LabVIEW |
系統架構圖

警告
EDrive-ST 僅支援兩相步進馬達(2-phase stepper motor)。
主要規格
| 規格項目 | 說明 |
|---|---|
| 電源輸入 | 24VDC(最高支援 36V) |
| 網路介面 | 10/100 T-based Ethernet |
| 馬達種類 | 兩相步進馬達(2-phase) |
| 微步進解析度 | 51200 steps/rev(可調整) |
| 最大輸出電流 | 2.1A(峰值 5A) |
| 編碼器 | ABZ 增量型(標稱 8MHz) |
| 極限開關輸入 | Home / FWD / REV |
| 其他功能 | 失速偵測 / 智慧節能 / 診斷功能 |
| 加減速曲線 | 8 段斜坡加速平滑 |
| 支援開發環境 | Python、C#、LabVIEW |
外觀說明

下表對應上圖中的編號,說明 EDrive-ST 的各項硬體介面功能:
| 編號 | 組件名稱 | 功能說明 |
|---|---|---|
| 1 | 保護接地 (PE) | 接地端子,確保設備運作安全與抗雜訊能力。 |
| 2 | 乙太網路孔 | 10/100M 乙太網路介面,用於資料傳輸與通訊。 |
| 3 | LED1 狀態指示燈 / LED2 作業系統指示燈 | 顯示系統主程式運作狀態與作業系統狀態 (詳見LED 指示燈狀態說明)。 |
| 4 | Encoder IO (Differential / RSE) | 編碼器輸入介面,支援差動式與單端式編碼器。 |
| 5 | Limit switches | 極限開關輸入介面,支援 Home / FWD / REV 三個極限開關。 |
| 6 | Stepper motor (2-phase only) | 兩相步進馬達輸出介面。 |
| 7 | 24V DC 電源輸入 | 供電介面,輸入電壓為 24V DC。 |
| 8 | OLED 面板 | 顯示網路設定資訊、韌體版本、序號及其他系統狀態。 |
| 9 | FUNC 按鈕 | 1. 重置 IP:長按約 3 秒可將 IP 重置為預設值 192.168.1.110。2. 切換顯示:短按可切換 OLED 面板顯示頁面。 |
| 10 | 重置按鈕 | 1. 重新啟動:直接按下即可重新啟動裝置。 2. Bootloader 模式:同時按住 FUNC 按鈕與重置按鈕,裝置將重新啟動並進入 Bootloader 模式。 |
LED 指示燈狀態
LED1:系統狀態
| 燈號行為 | 狀態說明 |
|---|---|
| 啟動時閃爍 | 主程式初始化正常 (閃爍兩次) |
| 恆亮 | 系統運作正常 |
| 週期性閃爍 | 發生錯誤 |
LED2:作業系統狀態
| 燈號行為 | 狀態說明 |
|---|---|
| 啟動時閃爍 | Bootloader 初始化正常 (閃爍兩次) |
| 恆亮 | Bootloader 運作中 |
| 週期性閃爍 | 作業系統正常運作 |
| 頻率 4 Hz | 已連接乙太網路線 |
| 頻率 2 Hz | 未連接乙太網路線 |
| 熄滅 | 作業系統停止運作 |
Connector 4 — 編碼器輸入

| Pin | 名稱 | 說明 |
|---|---|---|
| 1 | 5V (out) | 5V 電源輸出,可供編碼器使用 |
| 2 | GND | 接地 |
| 3 | ENC_A+ | 編碼器 A 相正端 |
| 4 | ENC_A- | 編碼器 A 相負端 |
| 5 | ENC_B+ | 編碼器 B 相正端 |
| 6 | ENC_B- | 編碼器 B 相負端 |
| 7 | ENC_Z+ | 編碼器 Z 相正端 |
| 8 | ENC_Z- | 編碼器 Z 相負端 |
Pin 1 為 5V 電源輸出、Pin 2 為 GND,可直接作為編碼器電源使用。
差動式編碼器(Differential)
預設支援差動式編碼器,電壓準位為 5V TTL。

單端式編碼器(Single-ended)
將編碼器輸出連接至 ENC_A/B/C+ 端,ENC_A/B/C- 端懸空不接。

備註
如需使用單端式編碼器,請於出貨前告知 WPC 或經銷夥伴。
Connector 5 — 極限開關輸入
| Pin | 名稱 | 說明 |
|---|---|---|
| 1 | LIM_REV+ | 反向極限開關正端 |
| 2 | LIM_REV- | 反向極限開關負端 |
| 3 | LIM_FWD+ | 正向極限開關正端 |
| 4 | LIM_FWD- | 正向極限開關負端 |
| 5 | LIM_HOM+ | 原點開關正端 |
| 6 | LIM_HOM- | 原點開關負端 |
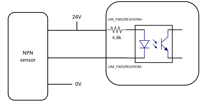
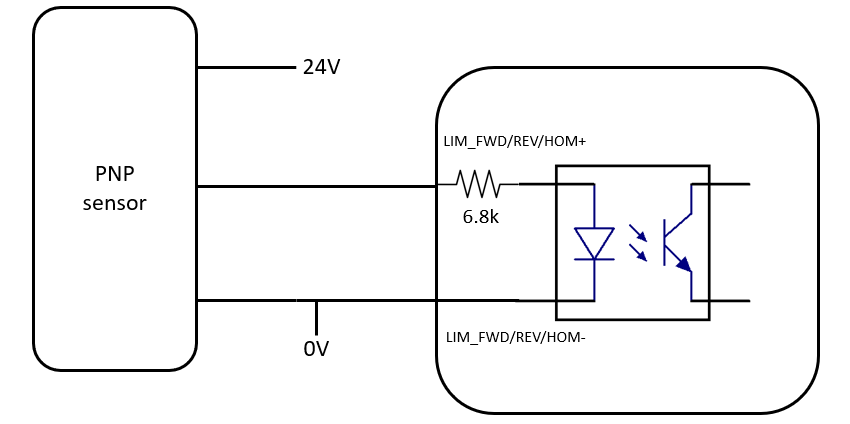
內建限流電阻
內建 6.8kΩ 限流電阻,無須外接。

NPN 型極限開關
LIM_FWD/REV/HOM+ 接 24V(共陽極),極限開關輸出接 LIM_FWD/REV/HOM-。

PNP 型極限開關
LIM_FWD/REV/HOM- 接 0V(共陰極),極限開關輸出接 LIM_FWD/REV/HOM+。

機械式極限開關
可選以下兩種接線方式之一:


Connector 6 — 步進馬達輸出
| Pin | 名稱 | 說明 |
|---|---|---|
| 1 | B\ | B 相負端 |
| 2 | B | B 相正端 |
| 3 | A\ | A 相負端 |
| 4 | A | A 相正端 |
四線式接線

六線式接線
線圈中間的 common 端不接,只接線圈兩端即可。

Connector 7 — 電源輸入
| Pin | 名稱 | 說明 |
|---|---|---|
| 1 | 24V | 直流電源正端 |
| 2 | 0V | 接地 |
標準輸入電壓為 24VDC。